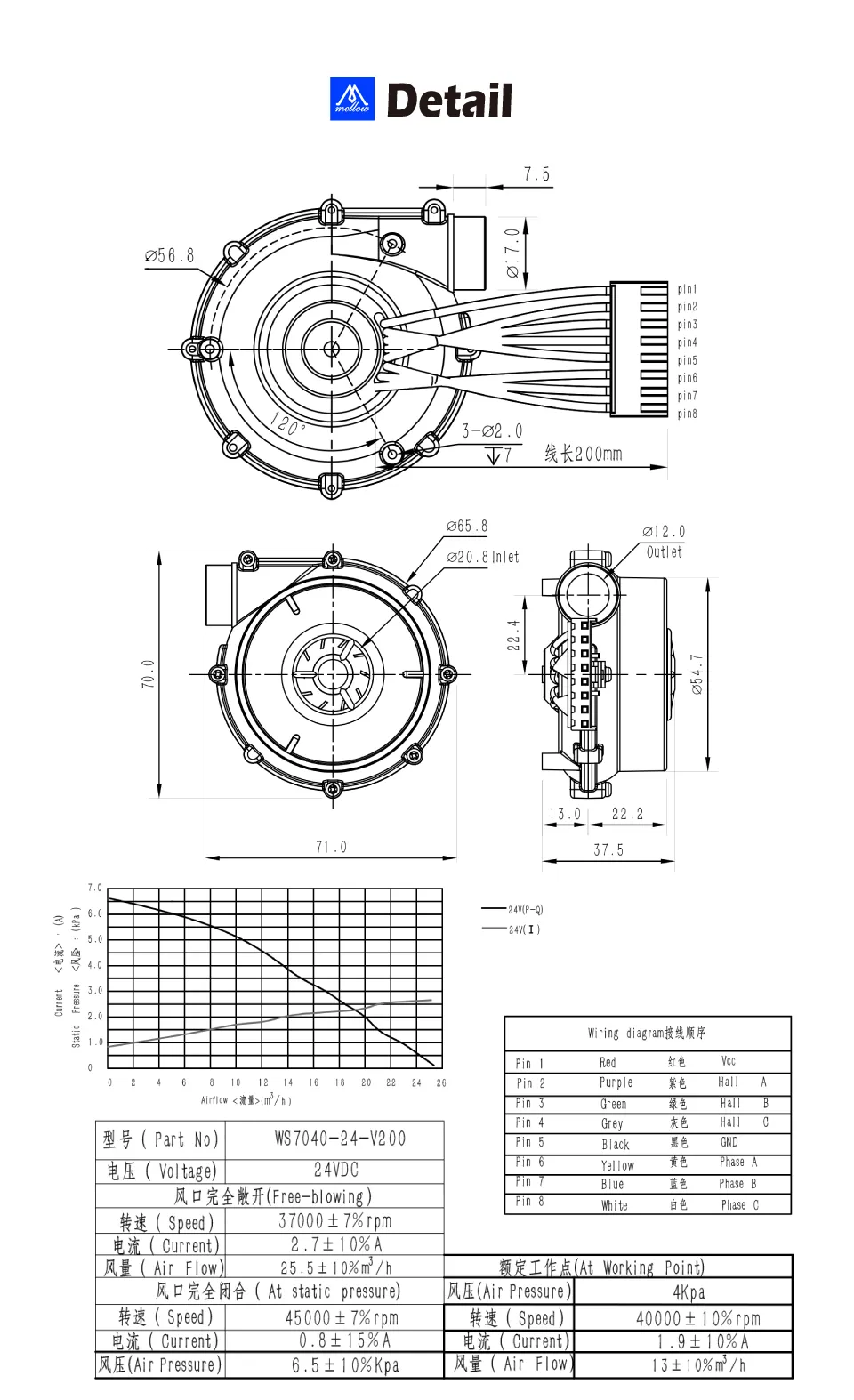
모듈 & 확장 보드 클래스FLY-7040 송풍기소개이 페이지에서WS 7040 제품 특징 최대 회전 속도:45000 최대 유량:14.7CFM 선택 부품:공기 필터, 작동 소음을 줄이고 이물질이 팬에 들어가서 날개를 손상시키는 것을 방지하여 키트의 작동을 더 조용하고 안정적으로 만듭니다 제품 사양 주의사항 주의사항 팬 입구에 이물질이 들어가서 날개를 손상시킬 수 있으므로 주의해야 합니다 팬의 최대 입력 전원은 24V입니다 Loading...