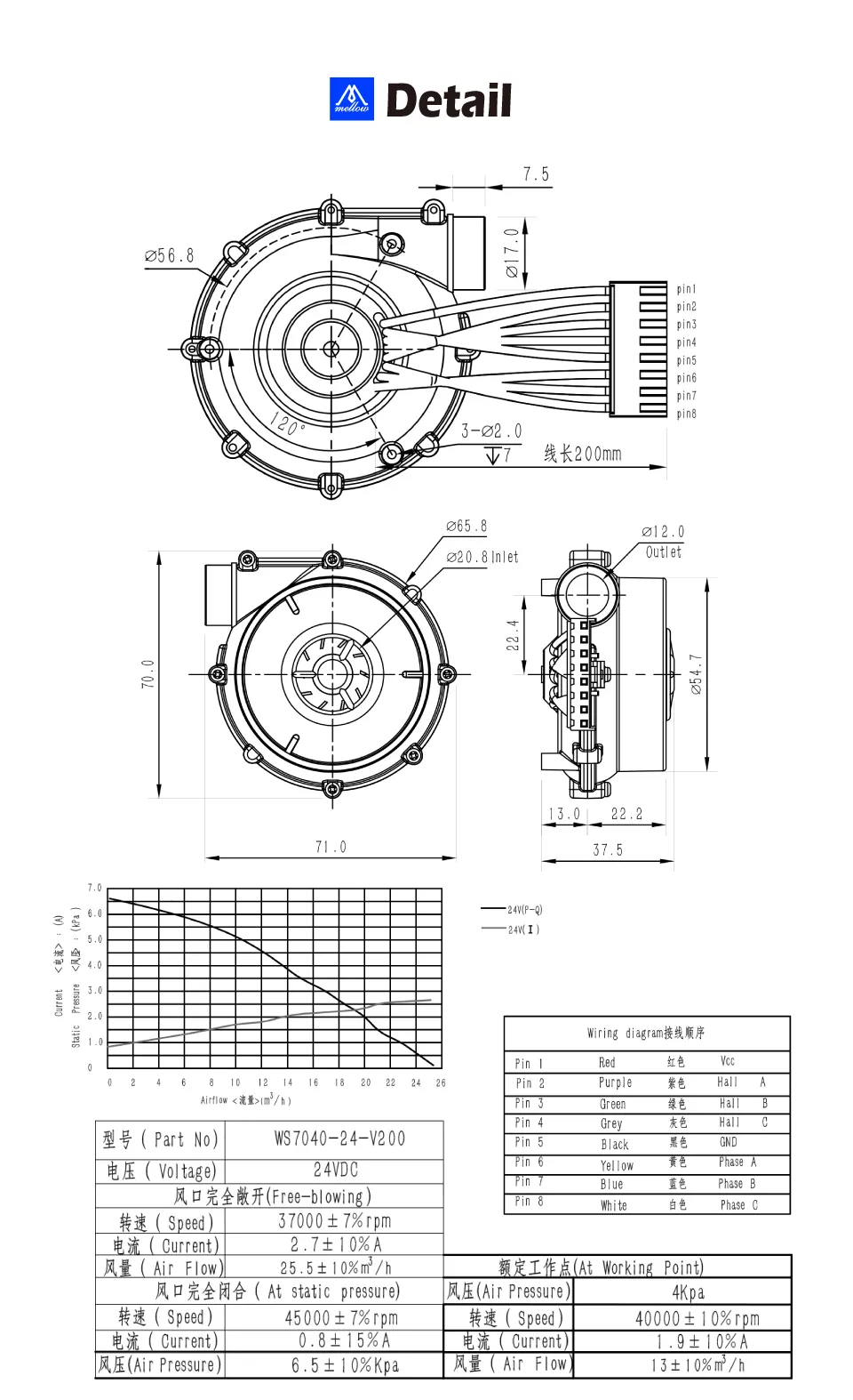
WS 7040


Основные характеристики
- Максимальная скорость: 45000
- Максимальный поток воздуха: 14.7CFM
- Дополнительное оборудование доступно: фильтр для впуска, снижает уровень шума при работе, предотвращает попадание посторонних предметов внутрь вентилятора и повреждение лопастей, делая комплект более тихим и стабильным
Технические характеристики

Примечания
Примечания
- Обратите внимание, что отверстие для вентилятора необходимо защищать от попадания посторонних предметов, чтобы избежать повреждения лопастей
- Обратите внимание, что максимальное входное напряжение вентилятора составляет 24В
Loading...